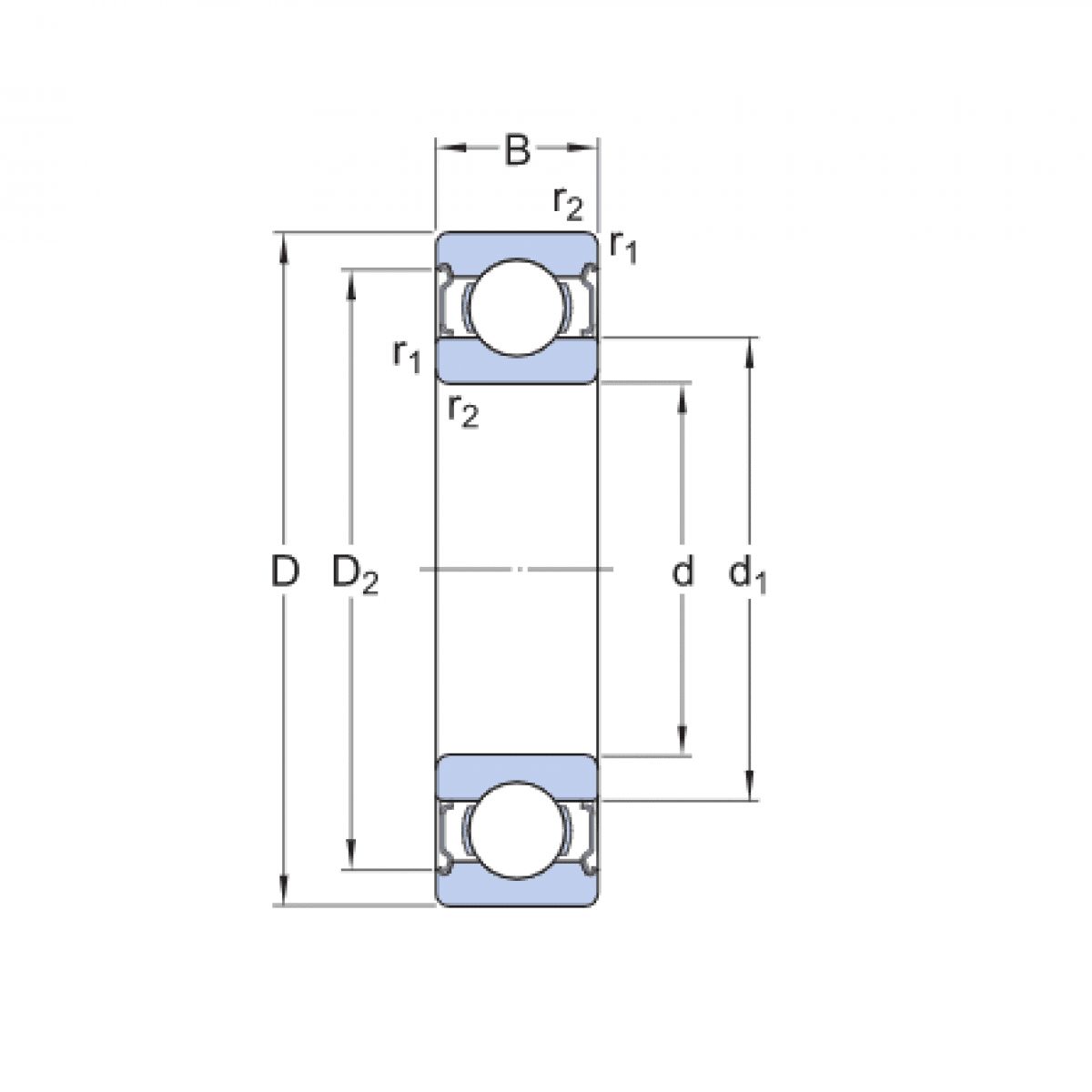
Ložisko 6000 2Z - ZKL NEW

Rozmer: 10x26x8 Značka: ZKL
Externý sklad na dopyt
+
-
ks