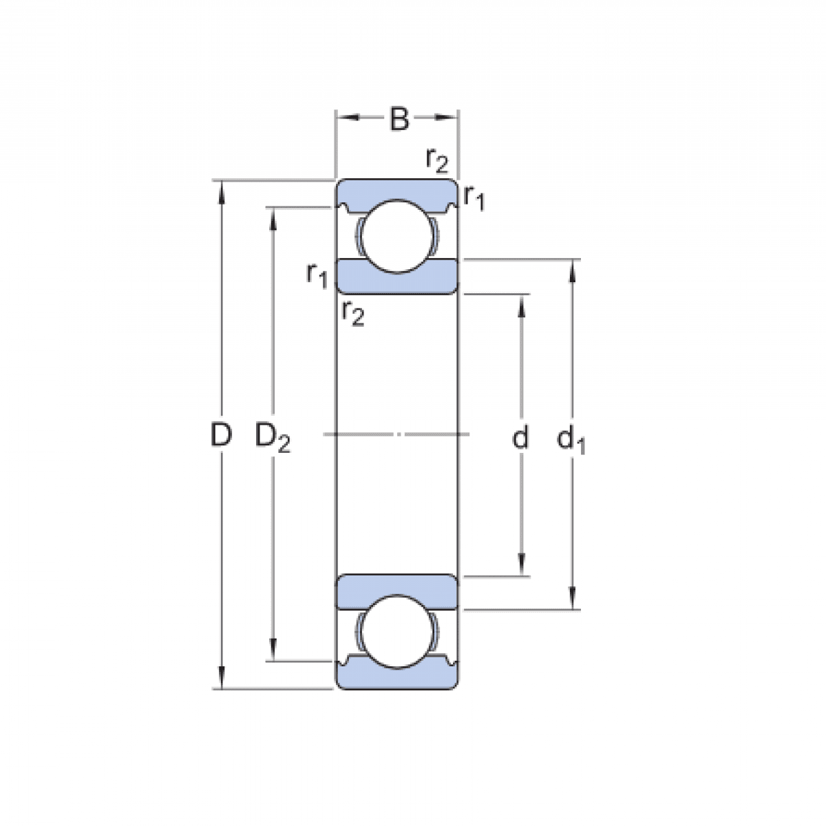
Ložisko 6000 - CX

Rozmer: 10x26x8 Značka: CX
Externý sklad na dopyt
+
-
ks