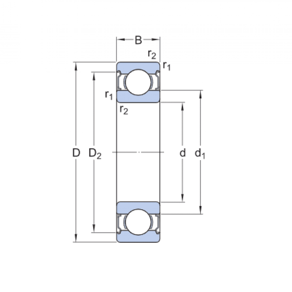
Ložisko 6001 2RS C3 - FBJ

Rozmer: 12x28x8 Značka: FBJ
Skladom 2 ks na dopyt
+
-
ks