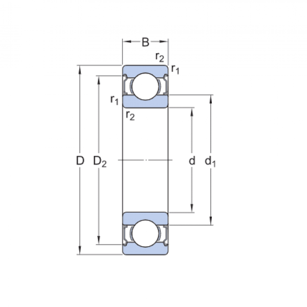
Ložisko 6001 2RS C3 - MTM

Rozmer: 12x28x8 Značka: MTM
Skladom 82 ks na dopyt
+
-
ks