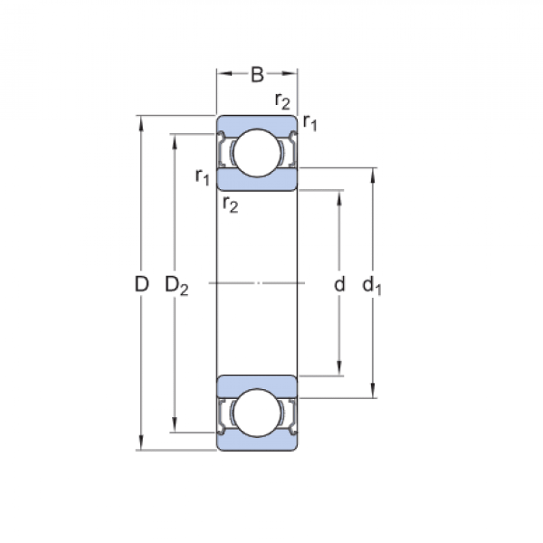
Ložisko 6001 2RS - CX

Rozmer: 12x28x8 Značka: CX
Skladom 3422 ks na dopyt
+
-
ks