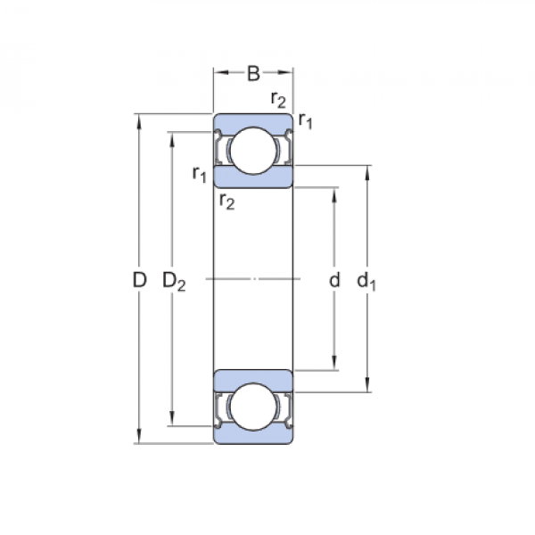
Ložisko 6001 2RS - FBJ

Rozmer: 12x28x8 Značka: FBJ
Externý sklad na dopyt
+
-
ks