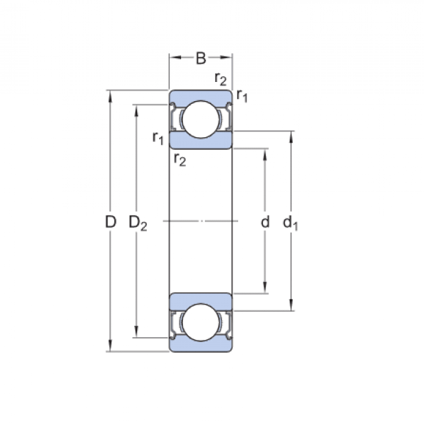
Ložisko 6001 2RS - MTM

Rozmer: 12x28x8 Značka: MTM
Externý sklad na dopyt
+
-
ks