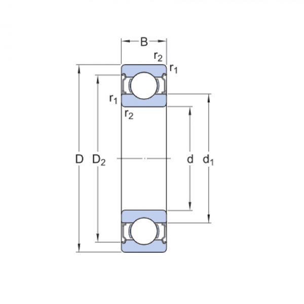
Ložisko 6001 2RS - NSK

Rozmer: 12x28x8 Značka: NSK
Externý sklad na dopyt
+
-
ks