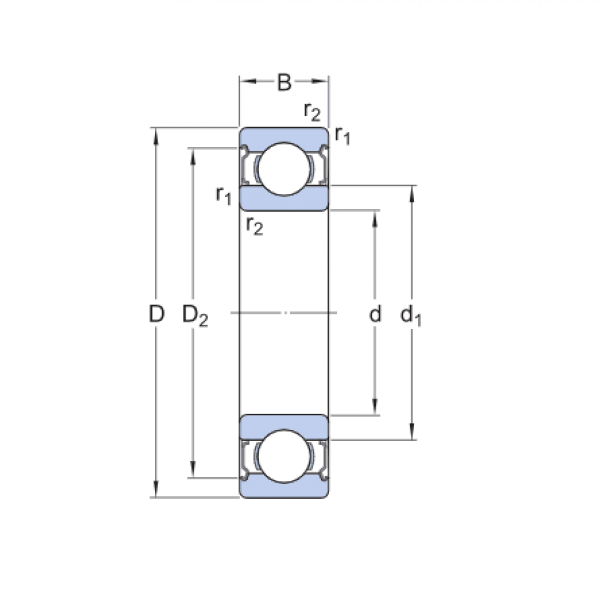
Ložisko 6001 2RSR C3 - FAG

Rozmer: 12x28x8 Značka: FAG
Externý sklad na dopyt
+
-
ks