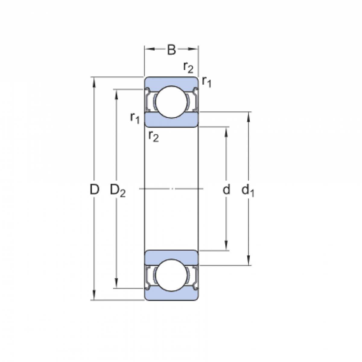
Ložisko 6001 2Z - KINEX

Rozmer: 12x28x8 Značka: KINEX
Skladom 1 ks na dopyt
+
-
ks