Ložisko 6001 2Z - NEU

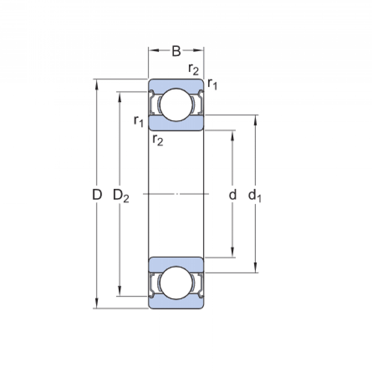
Rozmer: 12x28x8 Značka: NEU
Skladom 11 ks na dopyt
+
-
ks