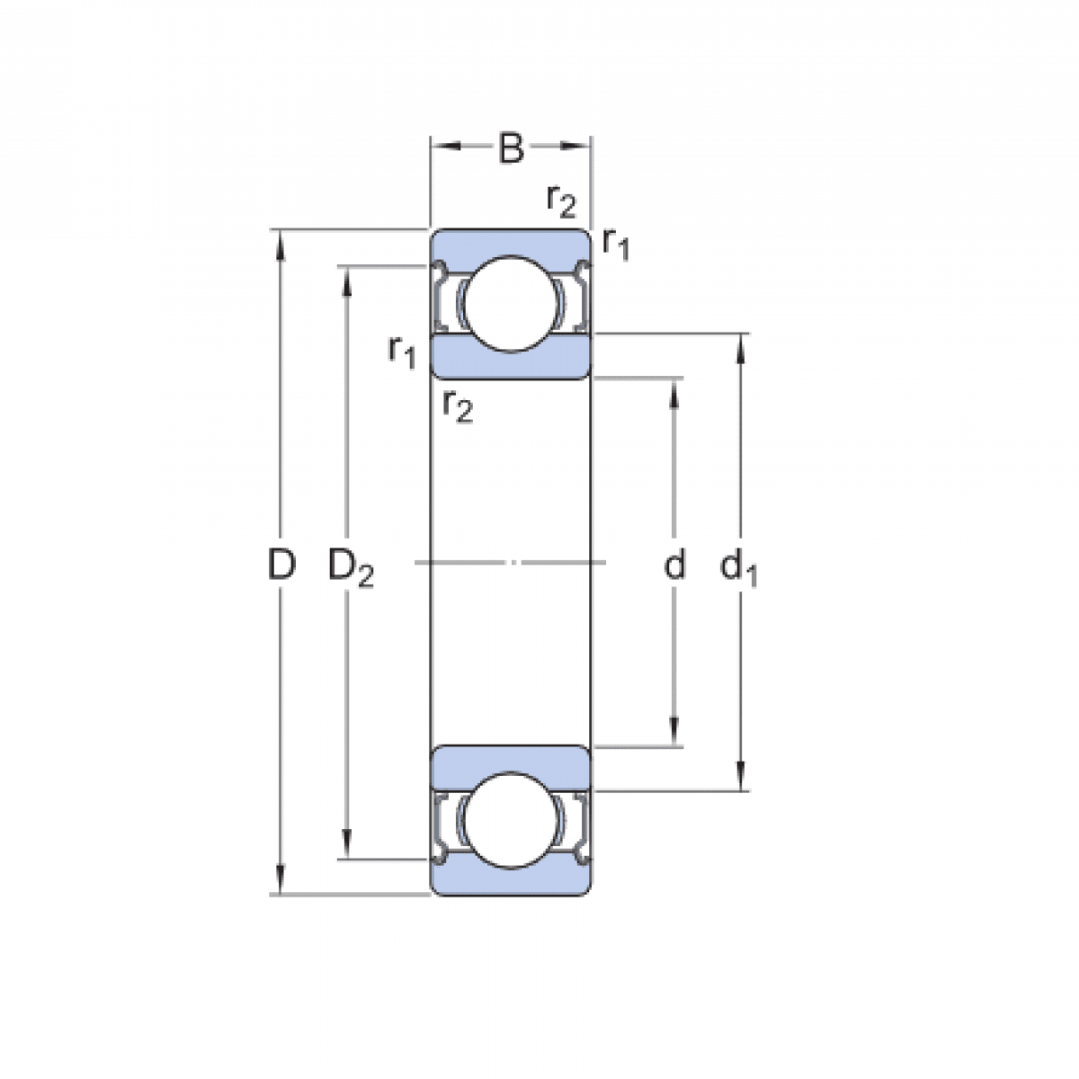
Ložisko 6001 2Z - SKF

Rozmer: 12x28x8 Značka: SKF
Skladom 378 ks na dopyt
+
-
ks