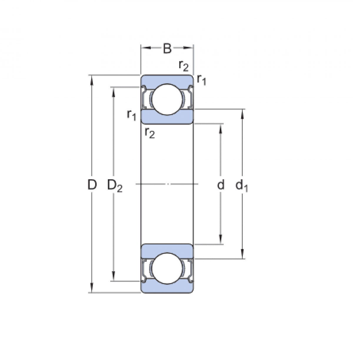
Ložisko 6001 2Z - ZKL NEW

Rozmer: 12x28x8 Značka: ZKL
Externý sklad na dopyt
+
-
ks