Ložisko 6001 C4 - SKF

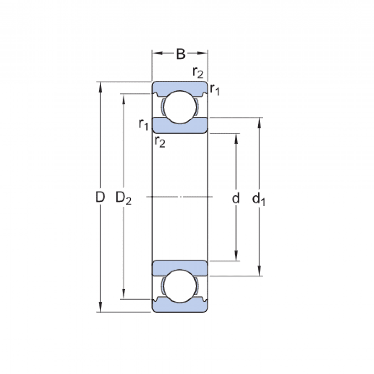
Rozmer: 12x28x8 Značka: SKF
Skladom 10 ks na dopyt
+
-
ks