Ložisko 6001 - ZVL

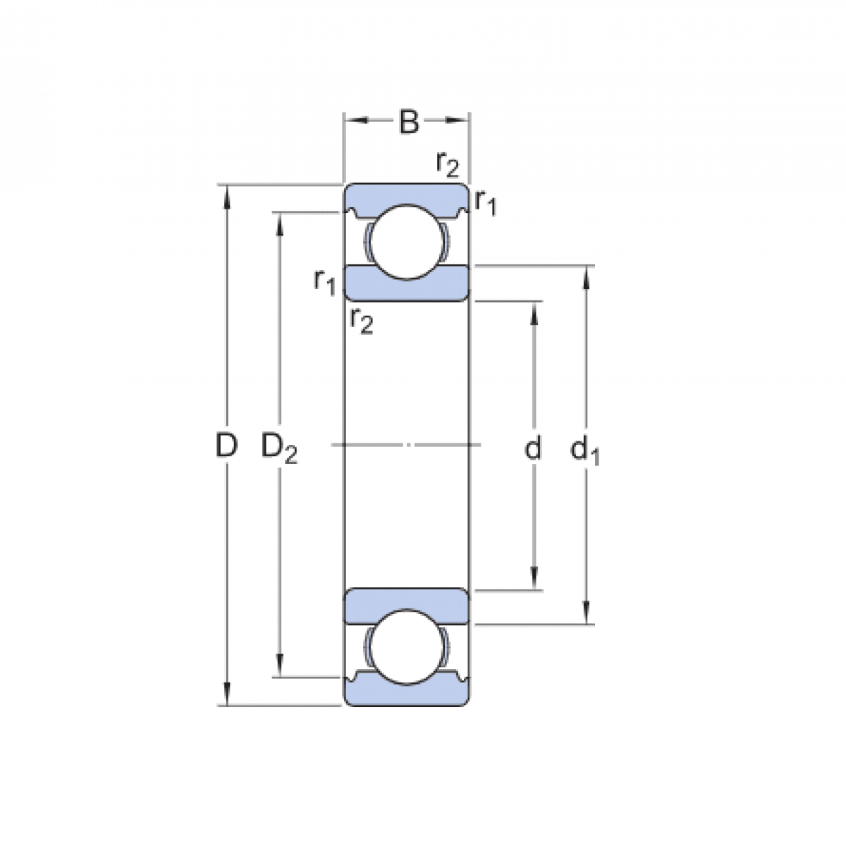
Rozmer: 12x28x8 Značka: ZVL
Externý sklad na dopyt
+
-
ks