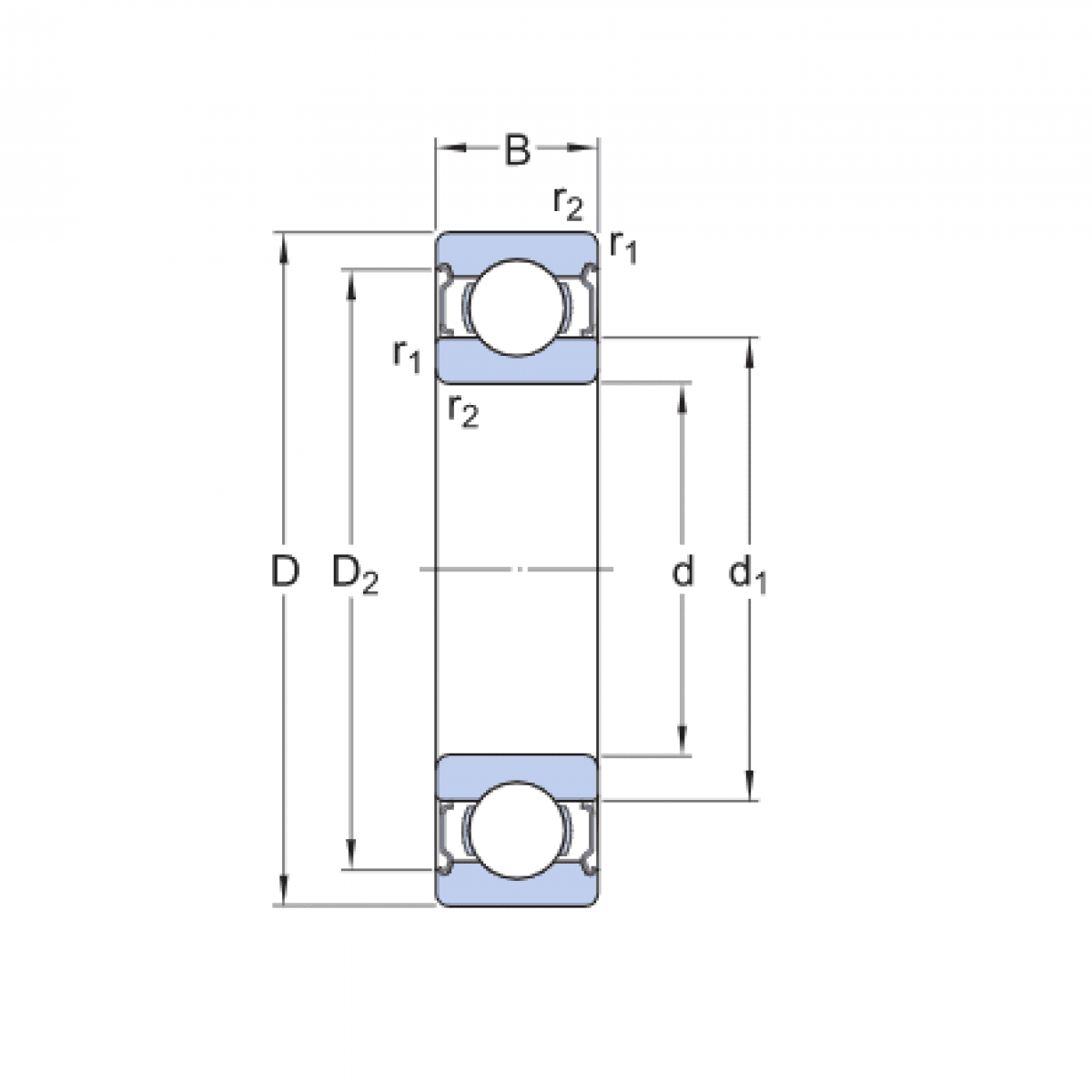
Ložisko 6001/12,7 2Z C3 - NEU

Rozmer: 12,7x28x8 Značka: NEU
Externý sklad na dopyt
+
-
ks