Ložisko 6001/12,7 2ZC3 - NEU

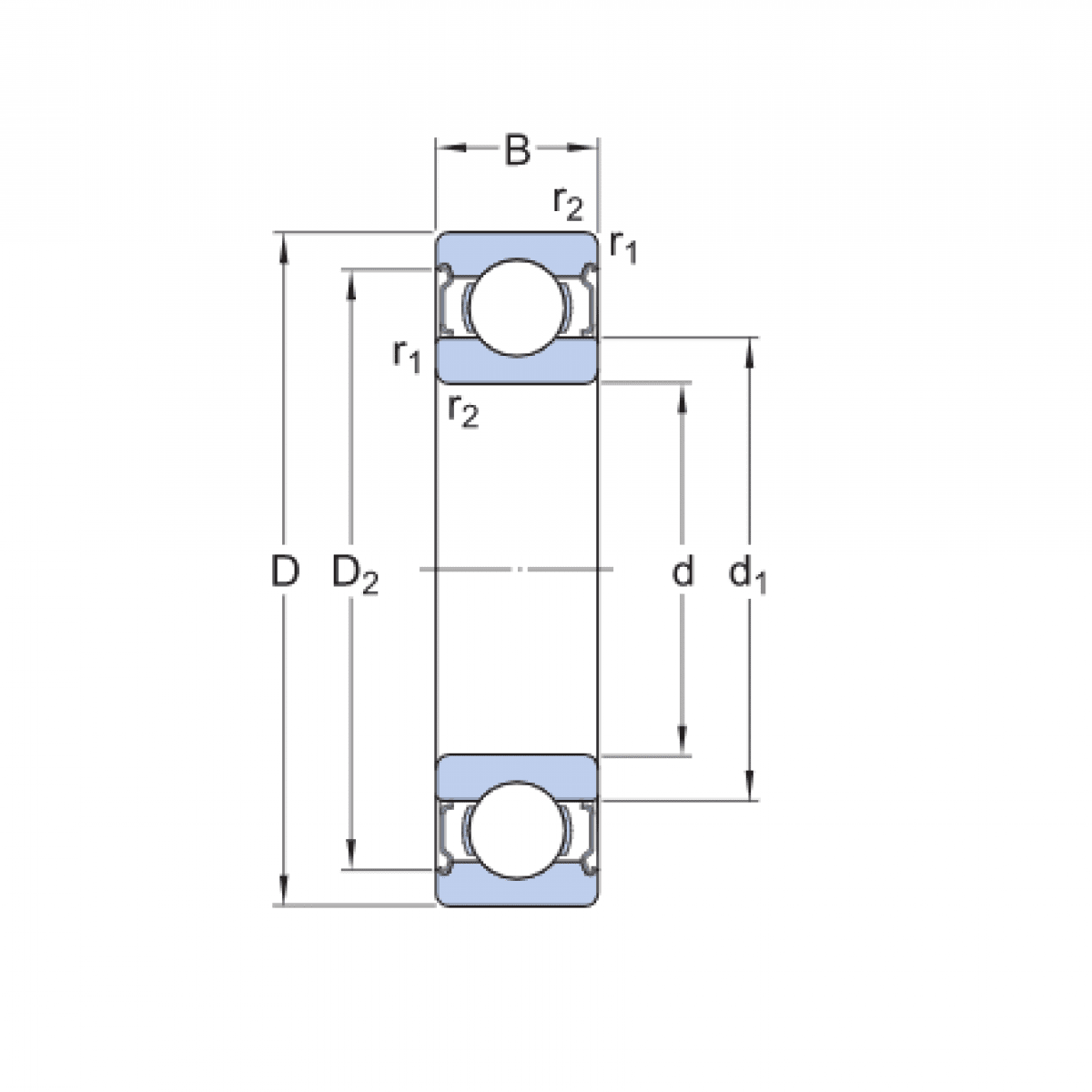
Rozmer: 12,7x28x8 2Z Značka: NEU
Externý sklad na dopyt
+
-
ks