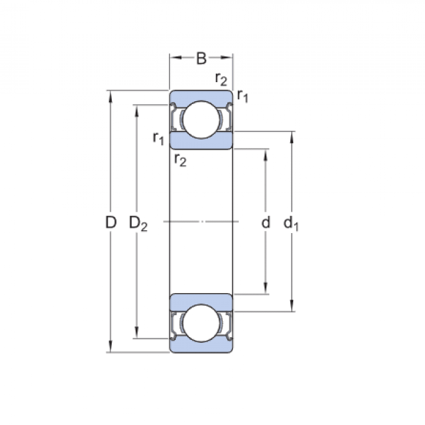
Ložisko 6002 2RS C3 - KOYO

Rozmer: 15x32x9 Značka: KOYO-TORRINGTON
Externý sklad na dopyt
+
-
ks