Ložisko 6002 2RS - CX

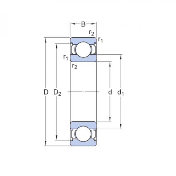
Rozmer: 15x32x9 Značka: CX
Skladom 172 ks na dopyt
+
-
ks