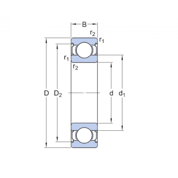
Ložisko 6002 2RS - KBS

Rozmer: 15x32x9 Značka: KBS, KBC
Externý sklad na dopyt
+
-
ks