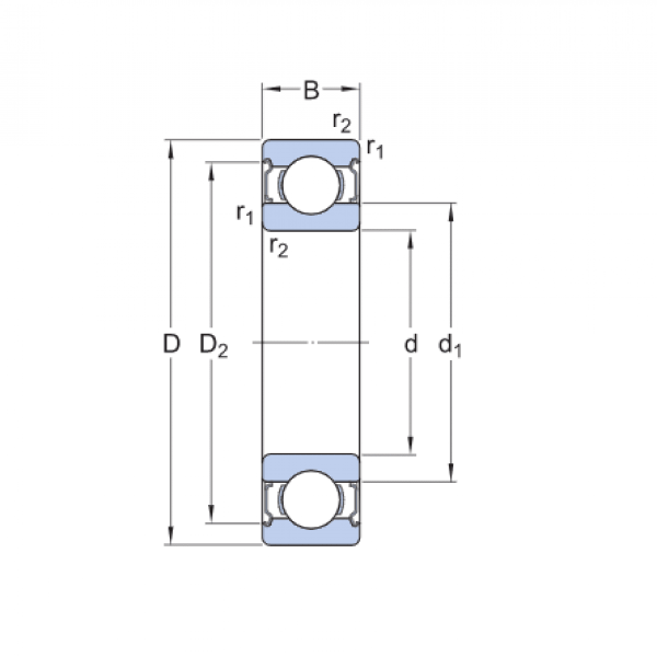
Ložisko 6002 2RSH - SKF

Rozmer: 15x32x9 Značka: SKF
Skladom 159 ks na dopyt
+
-
ks