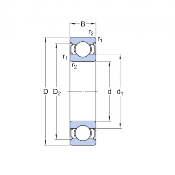
Ložisko 6002 2RSR - FAG

Rozmer: 15x32x9 Značka: FAG
Skladom 1 ks na dopyt
+
-
ks