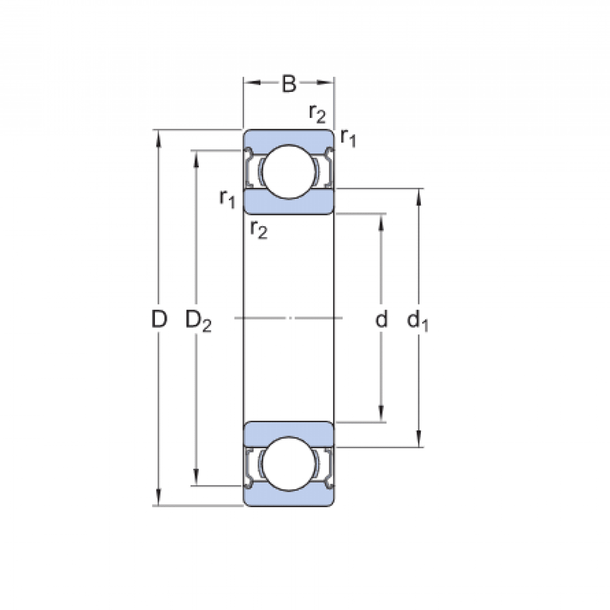
Ložisko 6002 2Z C3 - KOYO

Rozmer: 15x32x9 Značka: KOYO-TORRINGTON
Externý sklad na dopyt
+
-
ks