Ložisko 6002 2Z C3 - NKE

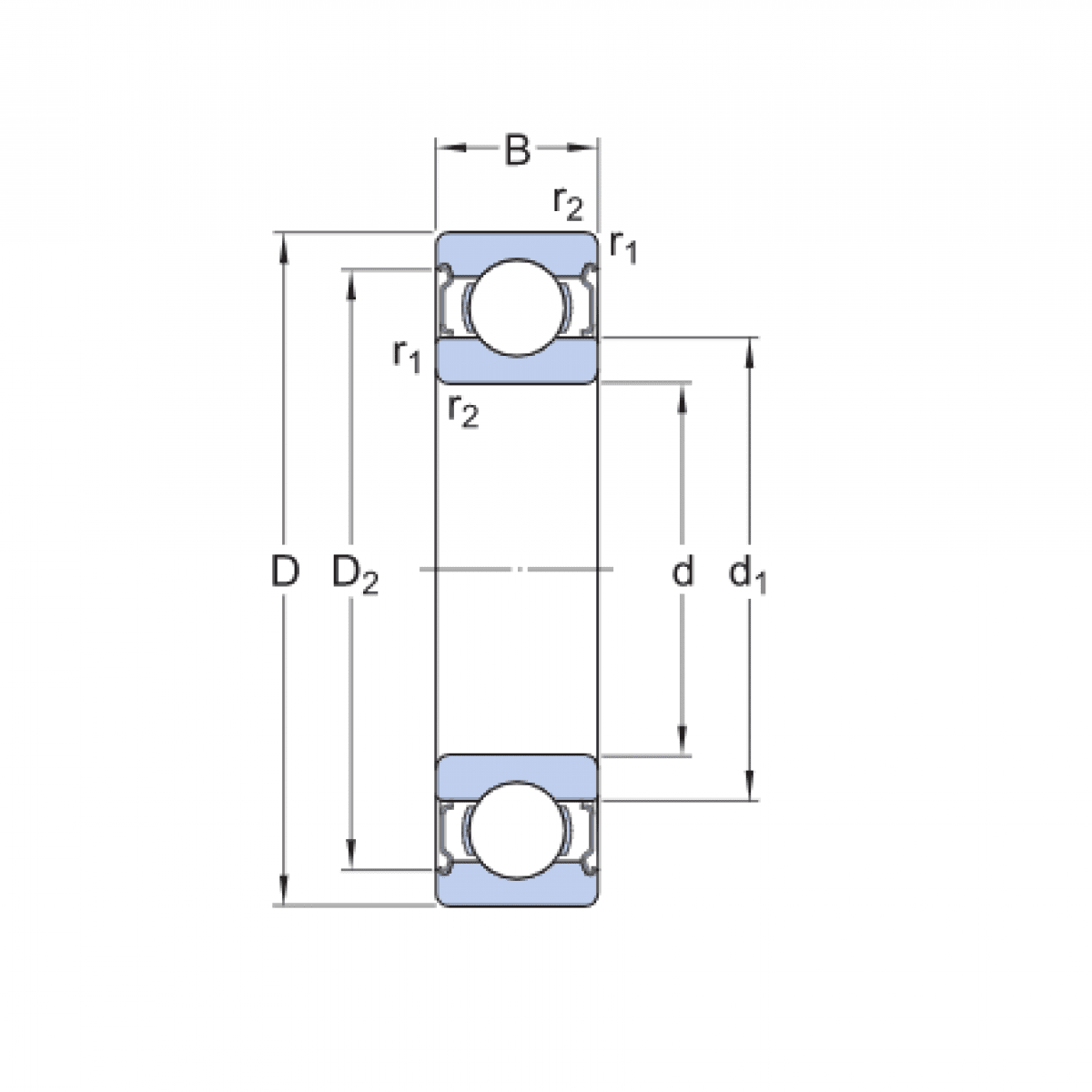
Rozmer: 15x32x9 Značka: NKE
Skladom 4 ks na dopyt
+
-
ks