Ložisko 6002 2Z C3 - NTN

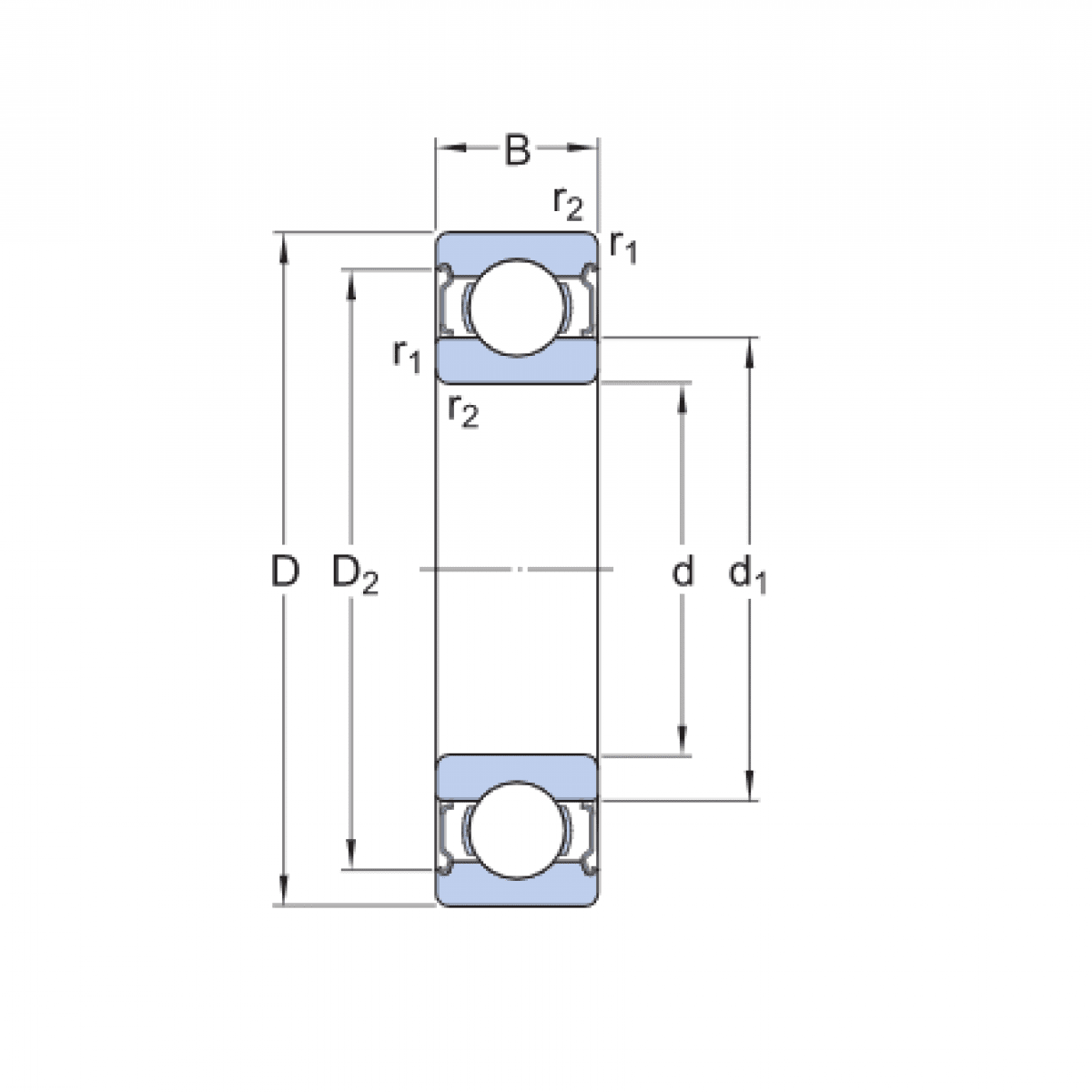
Rozmer: 15x32x9 Značka: NTN
Skladom 2 ks na dopyt
+
-
ks