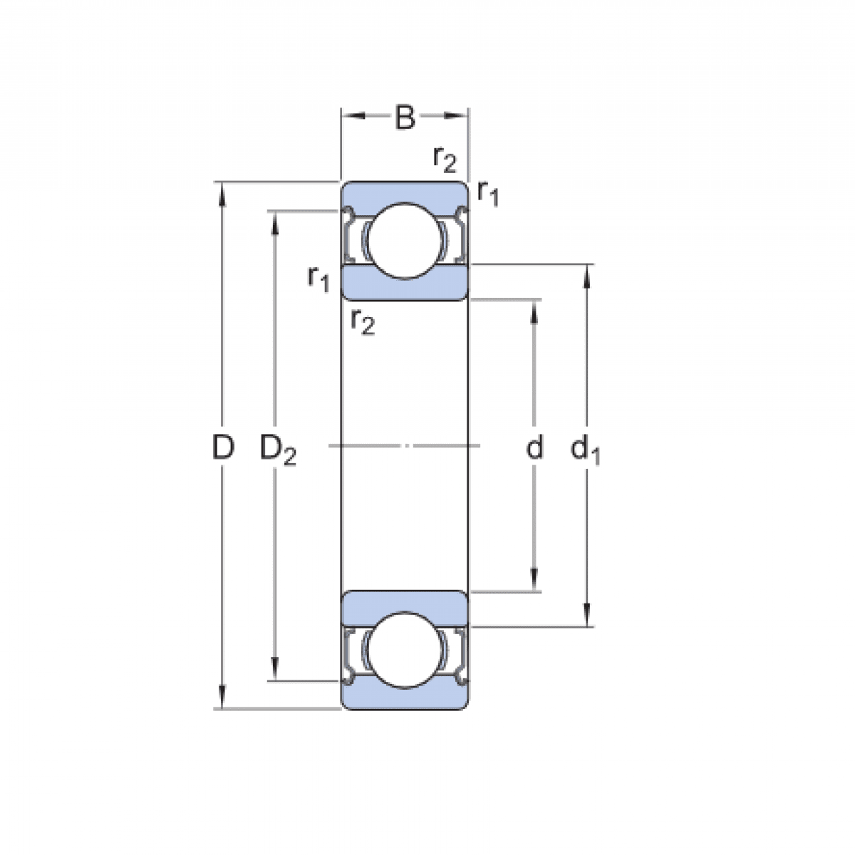
Ložisko 6002 2Z C3 - SKF

Rozmer: 15x32x9 Značka: SKF
Skladom 200 ks na dopyt
+
-
ks