Ložisko 6002 2Z NR - KOYO

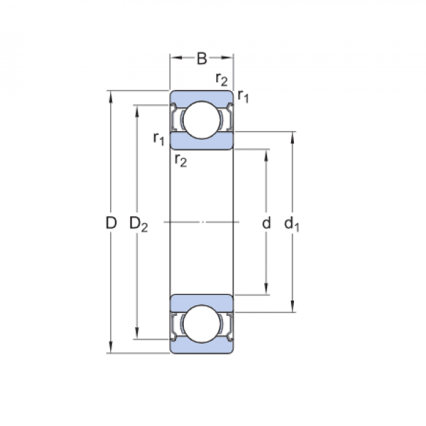
Rozmer: 15x32x9 Značka: KOYO-TORRINGTON
Externý sklad na dopyt
+
-
ks