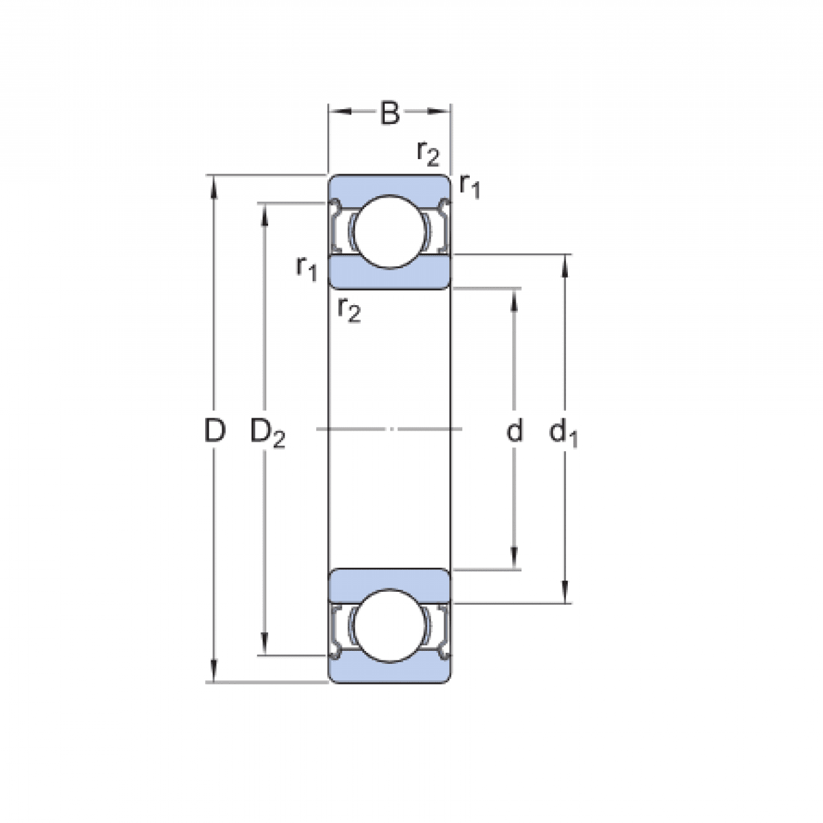
Ložisko 6002 2ZR C3 - FAG

Rozmer: 15x32x9 Značka: FAG
Externý sklad na dopyt
+
-
ks