Ložisko 6002 C3 - CX

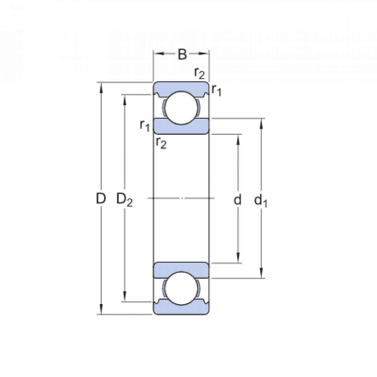
Rozmer: 15x32x9 Značka: CX
Skladom 26 ks na dopyt
+
-
ks