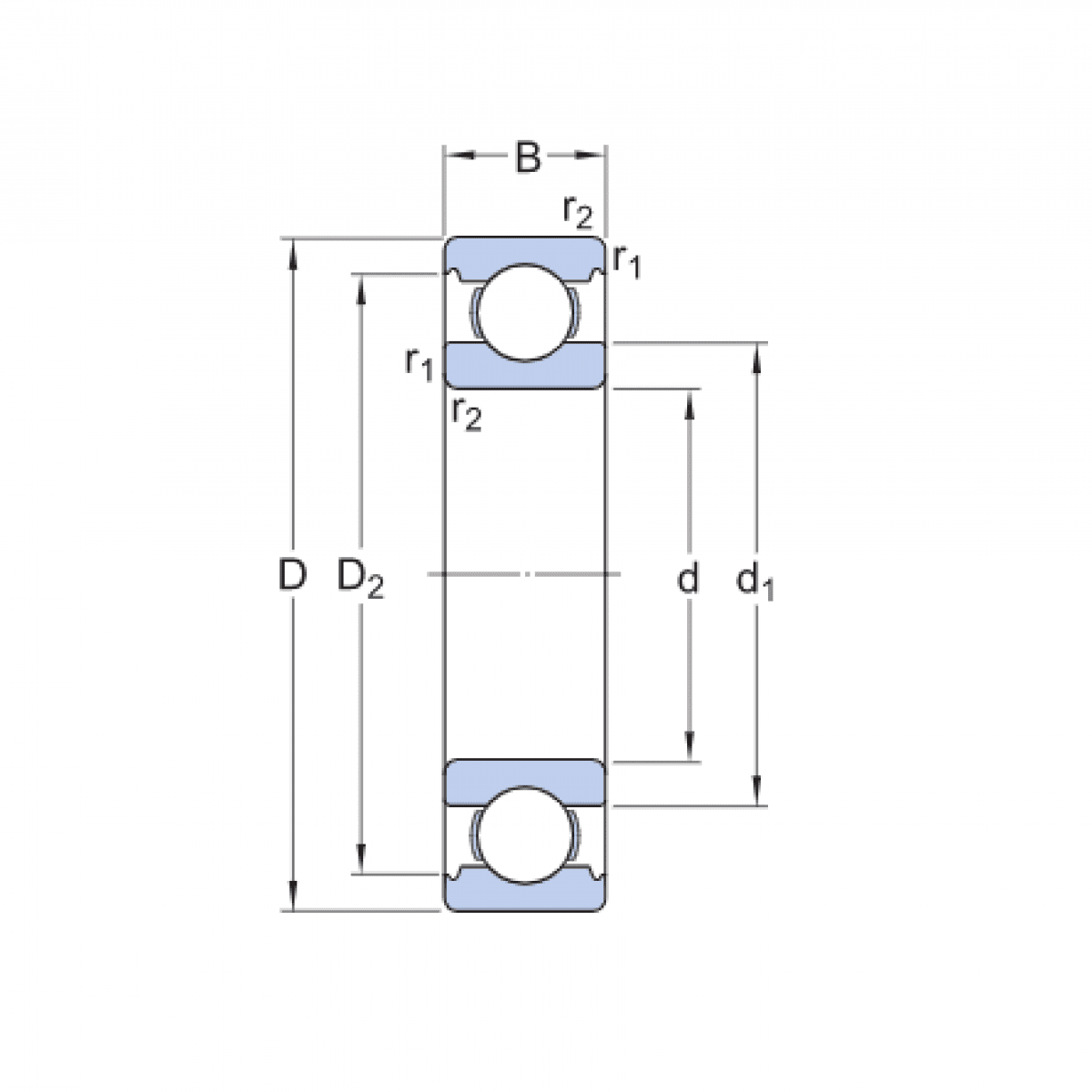
Ložisko 6002 - ZKL

Rozmer: 15x32x9 Značka: ZKL
Externý sklad na dopyt
+
-
ks