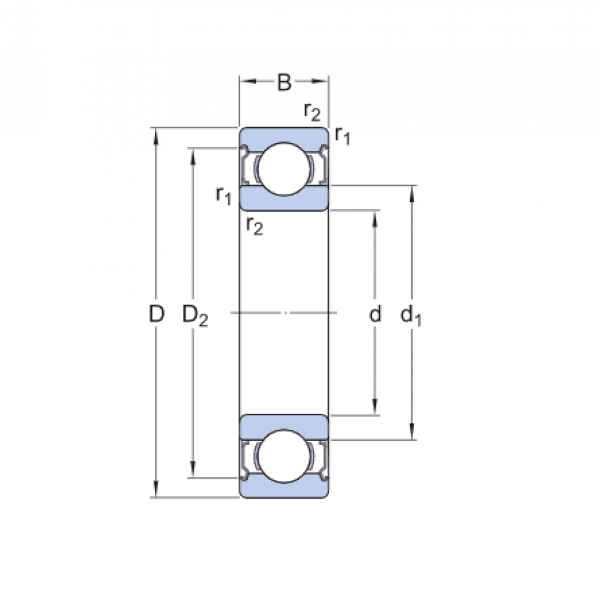
Ložisko 6003 2RS C3 - FBJ

Rozmer: 17x35x10 Značka: FBJ
Externý sklad na dopyt
+
-
ks