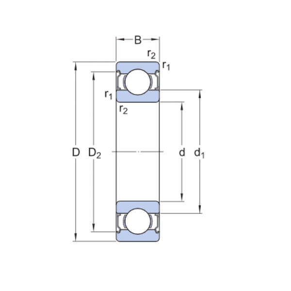
Ložisko 6003 2RS C3 - MTM

Rozmer: 17x35x10 Značka: MTM
Skladom 27 ks na dopyt
+
-
ks