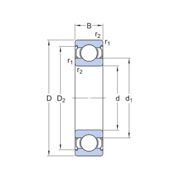
Ložisko 6003 2RS - ZVL

Rozmer: 17x35x10 Značka: ZVL
Skladom 20 ks na dopyt
+
-
ks