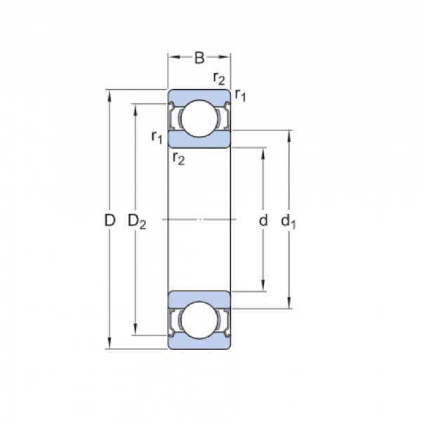
Ložisko 6003 2RSR C3 - FAG

Rozmer: 17x35x10 Značka: FAG
Externý sklad na dopyt
+
-
ks