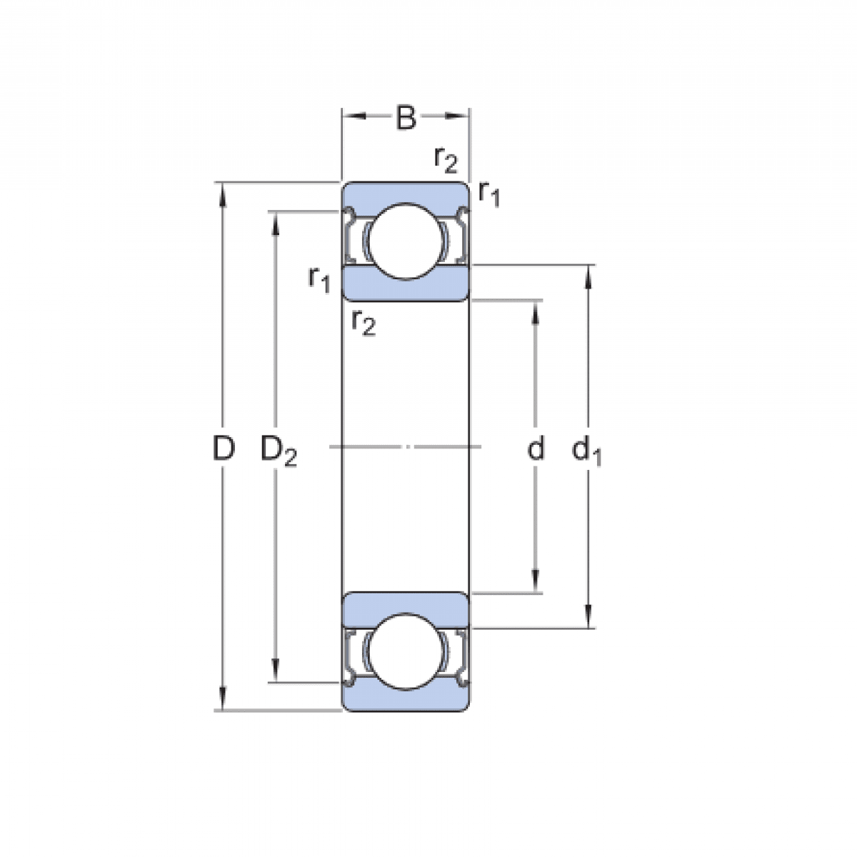
Ložisko 6003 2Z C4 - NSK

Rozmer: 17x35x10 Značka: NSK
Externý sklad na dopyt
+
-
ks