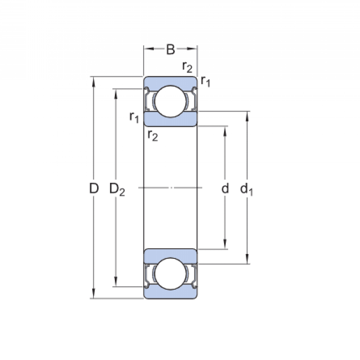
Ložisko 6003 2Z - CX

Rozmer: 17x35x10 Značka: CX
Skladom 294 ks na dopyt
+
-
ks