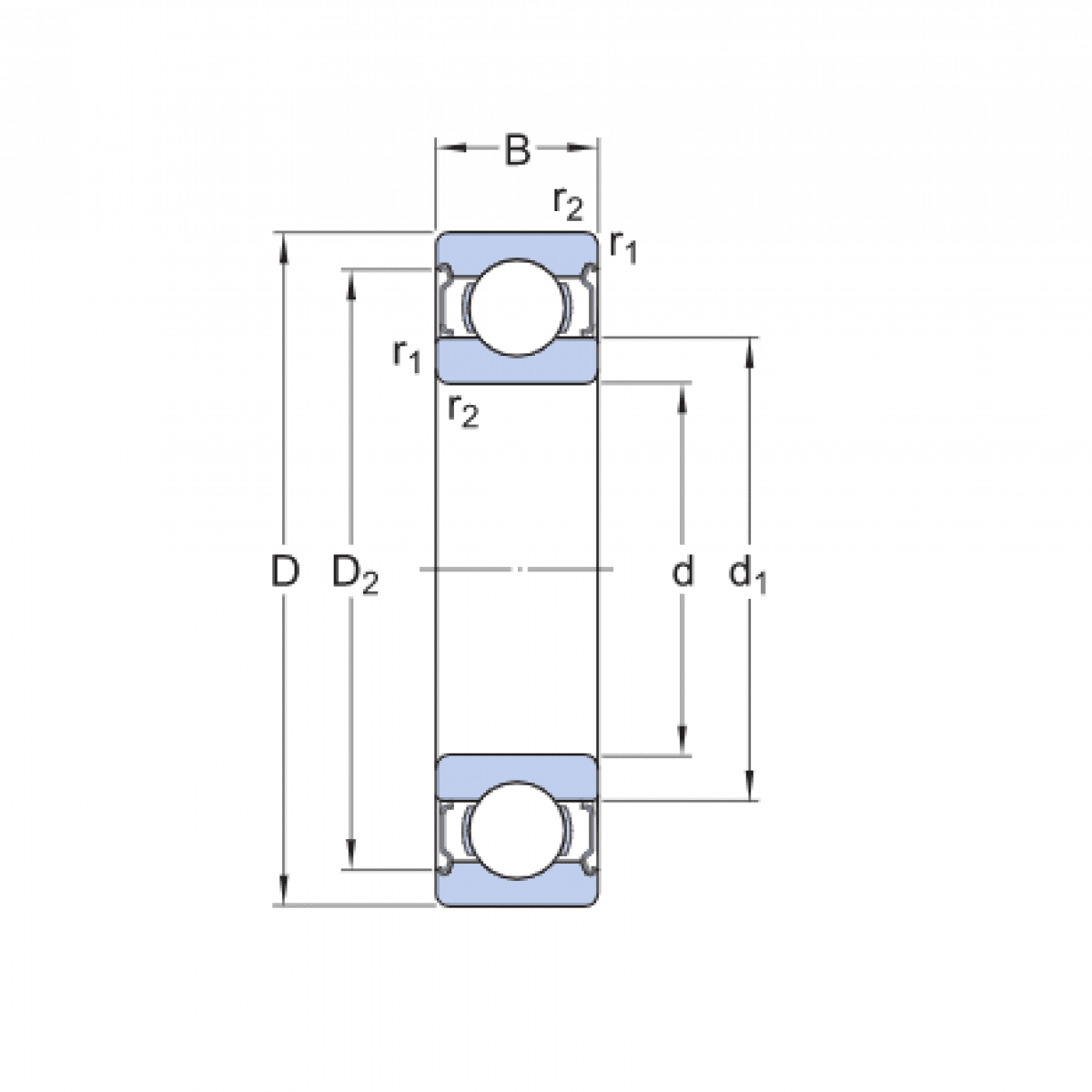
Ložisko 6003 2Z - ELP (CX)

Rozmer: 17x35x10 Značka: CX
Externý sklad na dopyt
+
-
ks