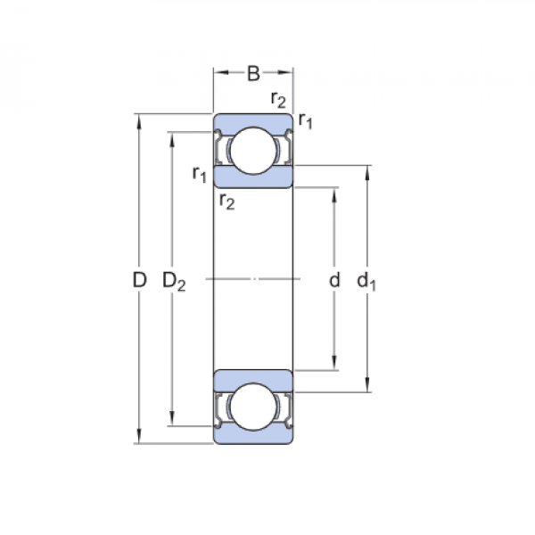
Ložisko 6003 2Z - MTM

Rozmer: 17x35x10 Značka: MTM
Skladom 127 ks na dopyt
+
-
ks