Ložisko 6003 2Z - SNR

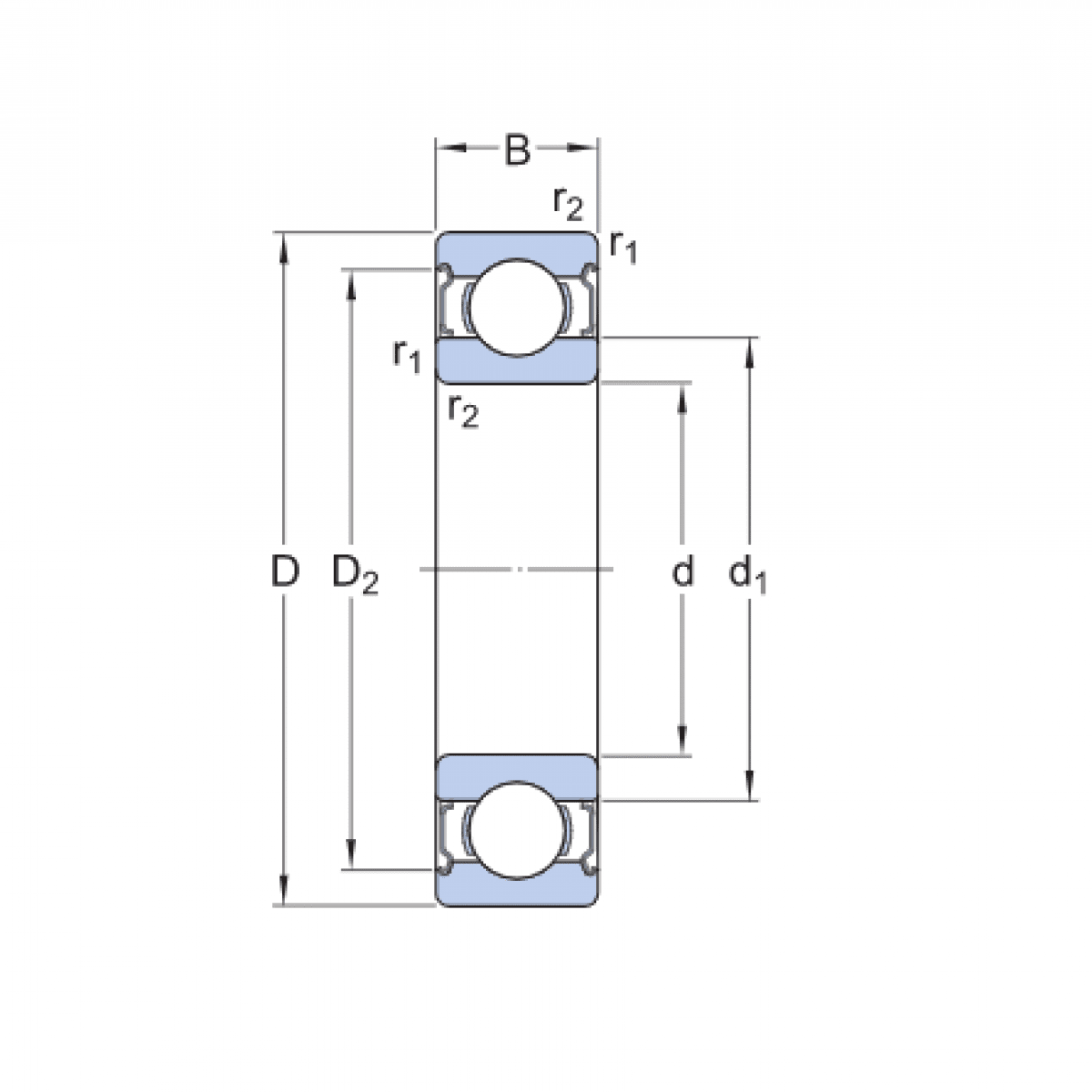
Rozmer: 17x35x10 Značka: SNR
Skladom 1 ks na dopyt
+
-
ks