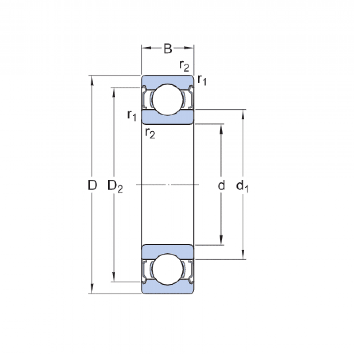
Ložisko 6003 2Z - ZKL NEW

Rozmer: 17x35x10 Značka: ZKL
Externý sklad na dopyt
+
-
ks