Ložisko 6003 C3 - CX

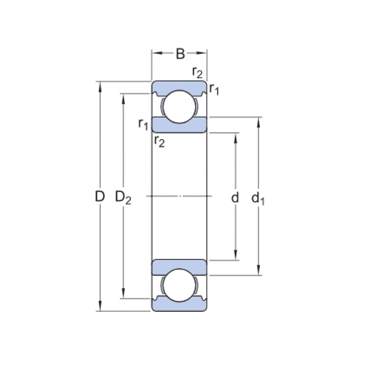
Rozmer: 17x35x10 Značka: CX
Skladom 13 ks na dopyt
+
-
ks