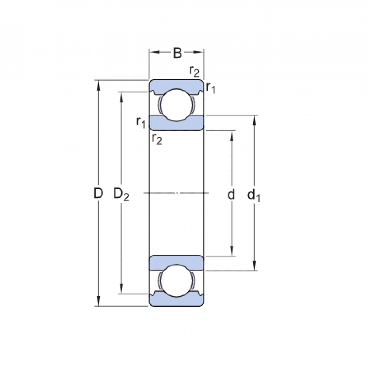
Ložisko 6003 - NEU

Rozmer: 17x35x10 Značka: NEU
Externý sklad na dopyt
+
-
ks