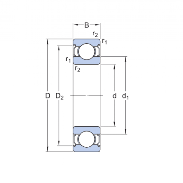
Ložisko 6004 2RS C3 - FBJ

Rozmer: 20x42x12 Značka: FBJ
Skladom 8 ks na dopyt
+
-
ks