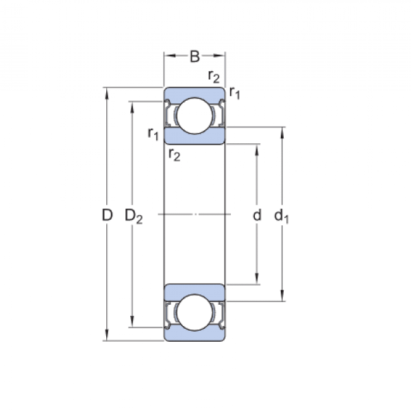
Ložisko 6004 2RS C3 - IBB

Rozmer: 20x42x12 Značka: IBB
Skladom 2 ks na dopyt
+
-
ks