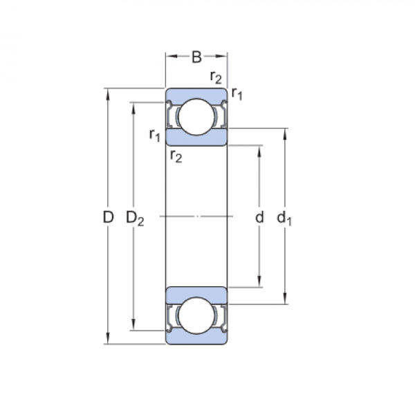
Ložisko 6004 2RS - CX

Rozmer: 20x42x12 Značka: CX
Skladom 2403 ks na dopyt
+
-
ks