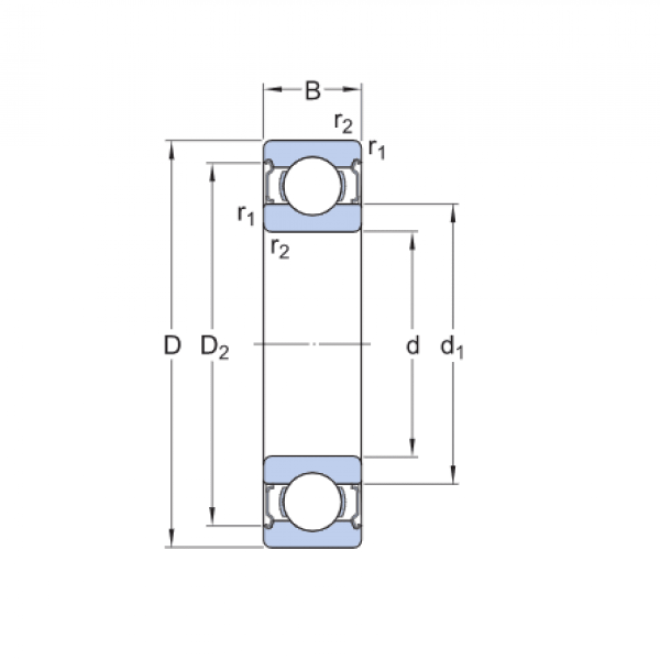
Ložisko 6004 2RS - FAG

Rozmer: 20x42x12 Značka: FAG
Externý sklad na dopyt
+
-
ks