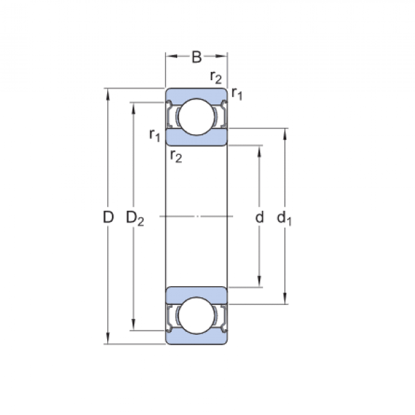
Ložisko 6004 2RS - KBS

Rozmer: 20x42x12 Značka: KBS, KBC
Externý sklad na dopyt
+
-
ks