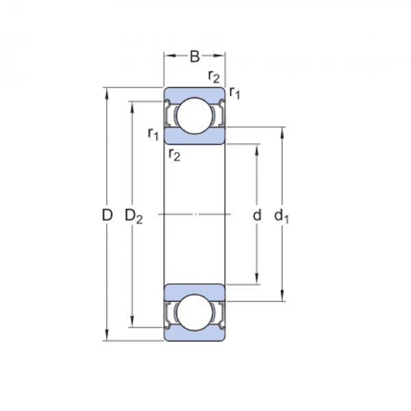
Ložisko 6004 2RS - KOYO

Rozmer: 20x42x12 Značka: KOYO-TORRINGTON
Externý sklad na dopyt
+
-
ks