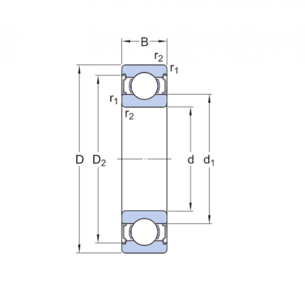
Ložisko 6004 2RS - ZKL NEW

Rozmer: 20x42x12 Značka: ZKL
Externý sklad na dopyt
+
-
ks