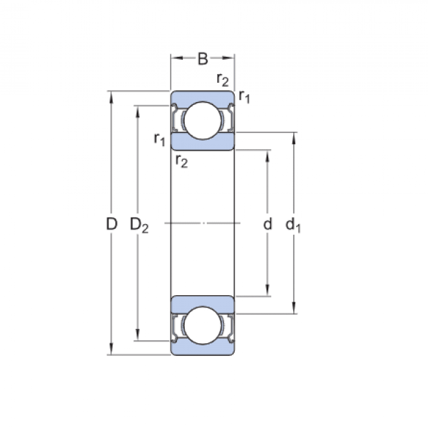
Ložisko 6004 2RS1 - SKF

Rozmer: 20x42x12 Značka: SKF
Externý sklad na dopyt
+
-
ks